新版铝合金门窗标准GB/T8478-2020将于2021年2月1日实施,在新标中规定了铝合金门窗的外门、外窗壁厚不低于2.2mm、1.8mm。而目前标准GB/T8478-2008执行的是不低于2.0mm、1.4mm标准。铝型材的壁厚增加了,对于铝行业有何影响呢,门窗的成本增加是肯定的,本文主要讲述对铝型材厂、门窗加工厂、房地产商的影响。
1.对铝型材厂的影响。
铝型材厂可以说是此标准的直接施行者,型材的壁厚是多少,是由铝型材厂生产出来的。所以型材壁厚的增加,对铝型材厂影响面也是Z大的。虽然标准规定内门窗还是1.4/2.0mm,但这部分占比太小了,大部分门窗还是外门窗,所以在这里还是讲的门窗指外门窗。
1.1需要新开模具。
门窗铝型材壁厚目前基本上全是1.4/2.0mm的,系列涉及普通铝型材、隔热铝型材。产品模具数量大厂子多达上万,小的铝材厂也有上千。现在门窗的型材壁厚要增加到1.8/2.2mm,模具均要新开,这是一个不小的数量。
从企业的发展来看,新开系列其实也是正常的现象,产品更新换代,老模具报废。但这样大面积的更新换代开模具还是首次,而且还是全行业的更新换代。可见,铝型材厂将面临史上Z大的一次新开模行动。
新开模会集中在明年2月份吗?不会,虽然新标是明年2月份开始实施,但真正涉及到开模的时间不会马上到来。因为符合新标的工程从设计到招标、投标、采购还是需要一定的时间。预计全面施行壁厚1.8mm的门窗要等到明年8月份之后,也就是新标施行半年后。
1.2设计新壁厚门窗产品系列。
上面讲到全面施行1.8mm/2.2壁厚的时代不会马上到来,但铝型材厂家也要面临新系列产品设计的问题。其实,外窗壁厚1.8mm的产品早在2017年上海就要求过,DG/TJ08-2242-2017《民用建筑外窗应用技术规程》2017年12月1日实施。它规定是主型材受力部位基材公称壁厚不小于1.8mm。这点规定与新版GB/T8478-2020标准基本一致。所以已有部分型材厂有1.8mm壁厚的系列了。下面谈下壁厚1.8mm窗型材断面的设计。
1.2.1设计思路
新设计的壁厚1.8mm系列产品,思路有两条,一条是全新设计,不考虑已有产品;另一条是参考已有系列,做到部分产品能够通用。铝材厂在设计新的系列时,建议采用第二条思路,这样可以节省模具成本,尽量少开模。再有一点,这也是系统设计的思路,做到产品的通用性。
1.2.2设计方法
全新设计不用考虑已的产品,功能槽口完全按门窗系统原则设计即可,在此不多讲。而参考已有系列,讲究就比较多了。在此主要讲下参考已有系列的设计。
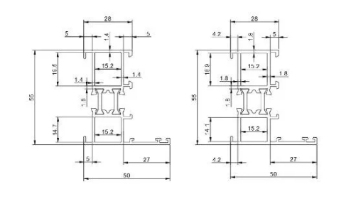
参考已有系列的设计方法主要从产品的通用性上考虑,做到功能槽口、功能腔体保持与原有系列相同。如果有必要,产品的外形尺寸也可以稍做调整。举例说明:窗框型材腔体尺寸15.2mm尺寸不变,四周壁厚尺寸由1.4mm增加到1.8mm,左右方向整体向左侧移动,上下方面向腔体内部增加。这样原来左侧5mm的尺寸变为4.2mm,腔体高度方向尺寸由19.5mm减少到18.9mm,14.7mm减少到14.1mm。窗框的整体尺寸55mm、28mm、50mm保持不变。见图1。

1.3方便理论重量结算
铝型材结算时分为过磅重量结算与理论重量结算。过磅重量结算比较简单,过磅重量,按每吨价格结算即可。理论重量结算如果壁厚执行正负公差则按图纸公称壁厚重量结算,如果壁厚执行正公差,则要按图纸公称壁厚上浮公差之半壁厚重量结算。举例说明,壁厚1.4mm,公差 0.2-0mm,则按 0.1mm及1.5mm壁厚重量结算,米重计算的公式为:重量÷1.4×1.5,此公式简单,方便计算。
按新标执行,理论重量结算就不存在正公差了,均是正负公差,按图纸公称壁厚重量结算,方便了理论重量结算。
1.4新标方便模具管理。
现行标准规定型材壁厚窗壁厚不能低于1.4mm,而实际订单存在壁厚不低于1.35mm的情况,这样就有两种壁厚模具。铝材厂的模具管理就很头痛,同一种产品由于订单要求不一样,必须时刻知道模具的实际壁厚情况,如有疏忽就会造成生产错产品的情况。
普及下知识,模具的出材壁厚是随着出材量的增加而增加的,开始上机生产的料壁厚是1.35mm,因为铝通过模具工作带时会有摩擦,擦花现象,工作带需要磨平,所以模具下机后进行模具维护,修理擦花的工作,光模处理,这样模具的工作带与工作带之间的缝隙(缝隙是型材的壁厚)就会增加,所以每次光模后,型材的壁厚均会增加。开始壁厚1.35mm,下次生产则变为1.37mm,再下次类推,直到1.45mm后模具终结,不再使用。
执行新标后,模具壁厚统一了,没有正负公差与只正公差区别,模具管理就很方便,派模生产不必再区分公差。
1.5生产效率提高。
新标门窗壁厚增加了,由原来的1.4mm提高到1.8mm,铝材厂的生产效率提高了,也就是班产量增高了。大家都知道,铝型材挤压壁厚越薄越不好出料,产量也越低。壁厚增加有利于班产量的提高。
挤压工序产量提高了,后续工序均有所提高,因为单支型材重了,而后续工序也是按支数进行加工的,所以生产效率同样提高。
也正是因为生产效率的提高,产品在市场上的价格也会受到更大的压力,这也迫使铝型材厂加强各工序的成本管理,在提高产量的同时,更要提升成本管制的能力,以增加产品竞争力。
2.对门窗加工厂的影响。
型材的壁厚的增加,对于门窗厂而言,整窗的重量增加了,所订铝型材总重量增加。门窗的吨出材率减少,也就是每平米门窗用料增加。
2.1出材率变化
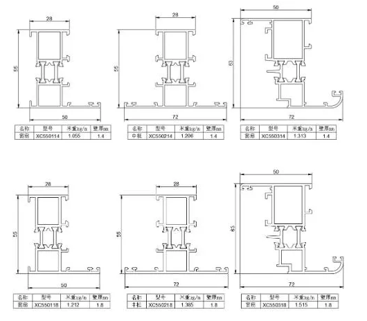
型材壁厚由1.4mm,增加到1.8mm,其整窗的出材率(每平米用料数)变化情况是多少呢?不是÷1.4×1.8的概念。因为整窗用材料还有压线,压线的壁厚没有变化。以55系列为例,壁厚1.4mm产品断面米重见图2,壁厚1.8mm产品断面米重见图3。

图3中的断面与图2中的断面外形尺寸一样,壁厚不同。图3产品是由图2产品变化而来,壁厚1.4mm的腔体及翅边增加到1.8mm。1.4mm与1.8mm壁厚整窗的出材率见表1、表2。
由表1、表2数据得知,壁厚1.4mm的出材率是7.02kg/m2,壁厚1.8mm是7.91kg/m2。增加了12.7%。壁厚1.4mm增加到1.8mm,增加了28.6%。所以型材壁厚的增加,对于门窗的出材率而言,不是简单的比例增加。
2.2成窗报价
门窗加工厂进料的重量增加,成本增加,所以门窗的每平米报价也就会相应增加,单指铝型材部分的成本,举例的55系列平开窗每平米增加12.7%是合理的。实际门窗厂报价应根据所订产品的米重进行计算而来。
3.对房地产商的影响。
门窗型材的招标要求是由房地产商提出的,所以Z终是否执行新标壁厚要求是由房地产商决定的。而新标GB/T8478-2020标准是推荐标准,不是强制标准,所以如果招标时不执行壁厚1.8/2.2mm的要求也属正常。
3.1加强成本控制
因为壁厚的米重增加,所以成窗的成本也就增加了,但楼盘的价格可能不会因为型材壁厚增加而单独提出,这部分成本的增加会转嫁到其他成本的控制上,比如降低型材采购价,选取相对米重轻的系列,加强内部的管理成本等等。
3.2加快产品标准化
对于大点的房地产商而言,开发楼盘不是一两个项目,如果各项目工程均采用同一窗形、同一规格、同一系列、同一颜色的铝型材产品,产品的标准化采购与使用势必会降低成本。所以型材产品的标准化进程会随着新标的执行,会加快这方面的工作。
- 上一条信息:铝型材如何保养和维护?
- 下一条信息:铝合金型材无烟镜面抛光技术

